К-кт ланцюга ГРМ (8 деталей) Opel Vectra C (02-), Astra G (00-) 2.2 16V JAPKO 'KJK0400
|
6 655 ₴
склад
|
- Харьков, Надежды, 15А , В наличии (1 шт)
- Днепр, проспект Богдана Хмельницкого, 156А , В наличии (1 шт)
- Производитель
-
JAPKO
(Италия)
- Каталожный номер
- 'KJK0400
- Схемы
- смотреть →
Применяемость
- Товар подходит к маркам/моделям авто:
- - Opel: Astra, Vectra, Zafira
- Товарная группа:
- - Двигатель и Выхлоп Цепь ГРМ
О производителе JAPKO
Страна : Италия
JAPKO, марка группы Japanparts, присутствует на рынке с 1989 года как лидер сектора импорта и дистрибуции запчастей азиатских машин (японских, корейских, индийских, американских и т.д.)
Гамма продукции,продаваемой JAPKO, включает механическую линию (фильтры, тормозные колодки и диски, гидравлику, сцепление, ремни, натяжные шкивы и т.д.); моторную линию (поршни, головки блока цилиндров, подшипники скольженияи т.д.); электрическую (двигатели, генераторы, свечи, стеклоочистители и т.д), а также линию подвесок с амортизаторами и рулевой передачей.
Сайт: www.japko.it
Применяемость по схемам
|
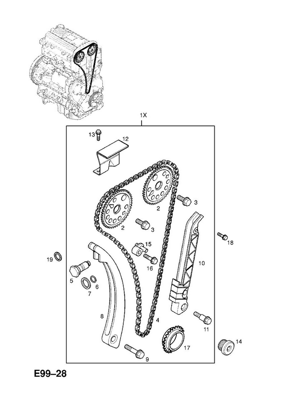
45 ЦЕПЬ ПРИВОДА, ШЕСТЕРНЯ И ШКИВЫ ГАЗОРАСПРЕДЕЛИТЕЛЯ
|
|
|
|
39 ЦЕПЬ ПРИВОДА, ШЕСТЕРНЯ И ШКИВЫ ГАЗОРАСПРЕДЕЛИТЕЛЯ
41 ЦЕПЬ ПРИВОДА, ШЕСТЕРНЯ И ШКИВЫ ГАЗОРАСПРЕДЕЛИТЕЛЯ 45 ЦЕПЬ ПРИВОДА, ШЕСТЕРНЯ И ШКИВЫ ГАЗОРАСПРЕДЕЛИТЕЛЯ |
|
|
|
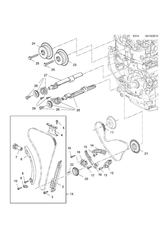
36 КОЛЕНВАЛ
35 ЦЕПЬ ПРИВОДА, ШЕСТЕРНЯ И ШКИВЫ ГАЗОРАСПРЕДЕЛИТЕЛЯ |
|
|
|
34 ЦЕПЬ ПРИВОДА, ШЕСТЕРНЯ И ШКИВЫ ГАЗОРАСПРЕДЕЛИТЕЛЯ
|
|
|
|
46 БЛОК БАЛАНСИРОВКИ ВИБРАЦИОННОГО ДЕМПФЕРА ДВИГАТЕЛЯ
41 ЦЕПЬ ПРИВОДА, ШЕСТЕРНЯ И ШКИВЫ ГАЗОРАСПРЕДЕЛИТЕЛЯ |
|
|
|
45 ЦЕПЬ ПРИВОДА, ШЕСТЕРНЯ И ШКИВЫ ГАЗОРАСПРЕДЕЛИТЕЛЯ
|
|
|
|
25 ЦЕПЬ ПРИВОДА, ШЕСТЕРНЯ И ШКИВЫ ГАЗОРАСПРЕДЕЛИТЕЛЯ
|
|
Показать еще схемы ↓
Оригинальные номера
OEM:
12577385
5636400
636177
12583887
12608580
4807839
55352127
636549
5636414
13104978
636826
24407484
5636324
24424758
614532
24449448
636550
24461834
5636396
5636378
24448509
563638
90537338
55570337
5636399
636811
90537337
71739327
71769984
Каталог запчастей для автомобилей к которым применяется эта деталь
