Насос масляний 2101-07 SSD '2101001OP
|
1 105 ₴
склад
|
- Харків, Надії, 15А , В наявності (>10 шт)
- Виробник
-
SSD
(Китай)
- Каталоговий номер
- '2101001OP
- Схеми
- дивитися →
Застосовність
- Товар підходить до марок/моделей авто:
- - ВАЗ: 2101-2107
- Товарна група:
- - Двигун і Система вихлопу Масляний насос
Застосовність за схемами
|
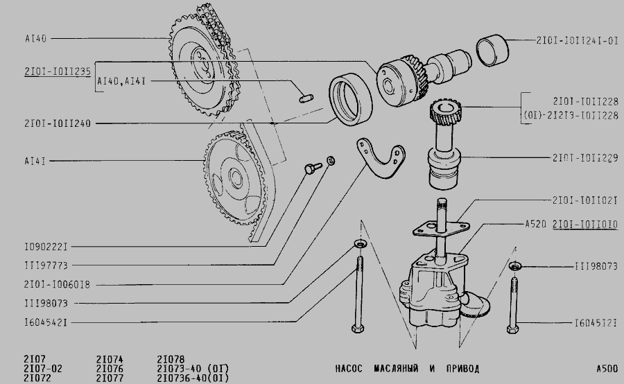
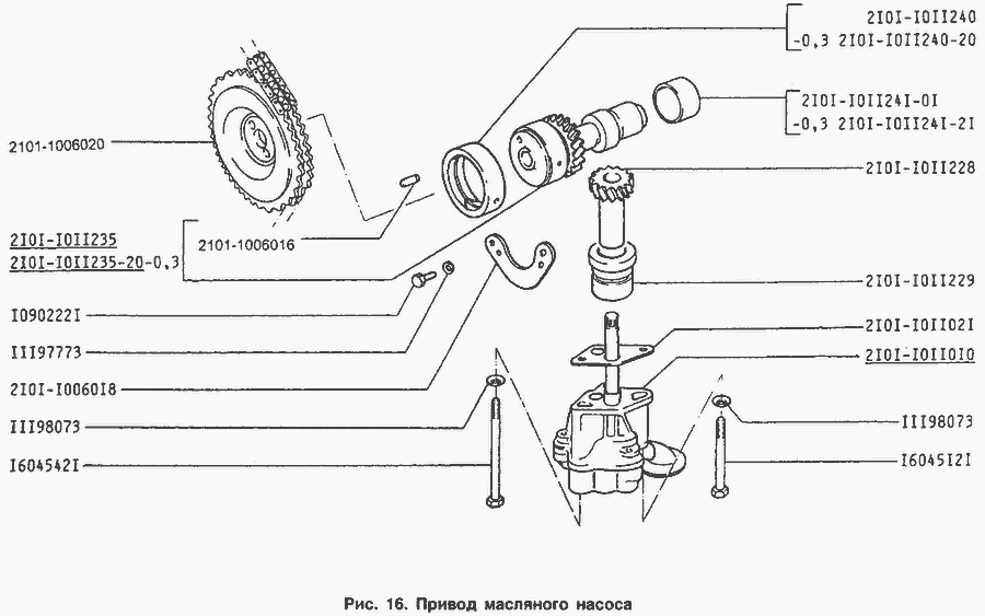
Привід масляного насосу » Двигун УЗАМ 331
|
|
|
|
Привід масляного насосу » Двигун
|
|
|
|
Привід масляного насосу » Двигун УЗАМ 331
|
|
|
|
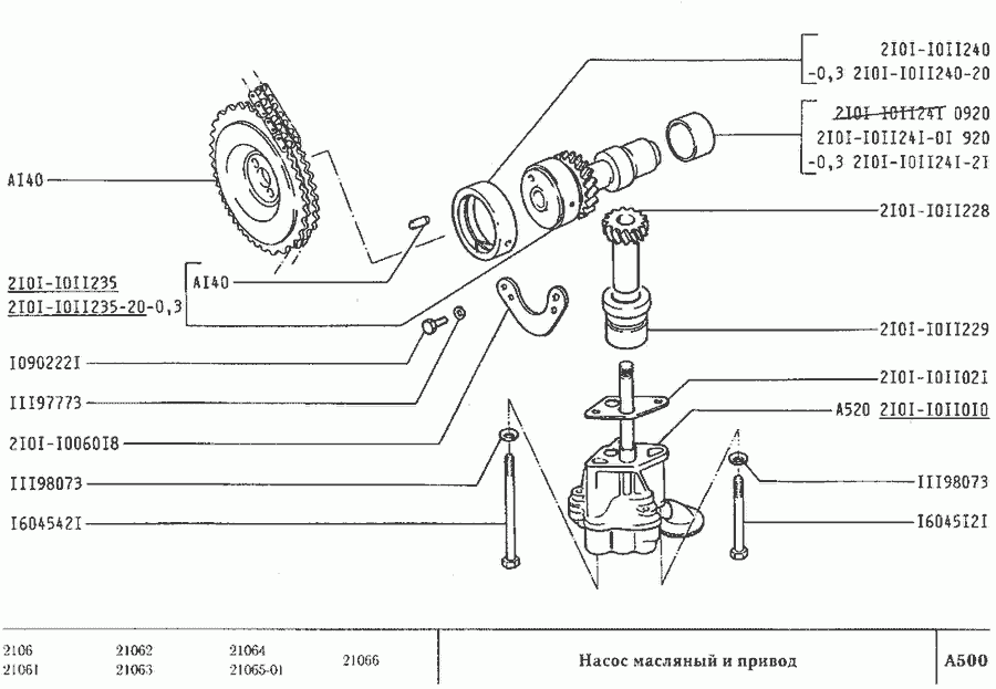
Система змазки » Двигун
|
|
|
|
Мастильна система » Двигун
|
|
|
|
Система змазки » Двигун
|
|
|
|
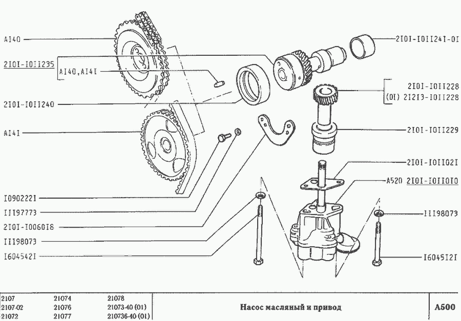
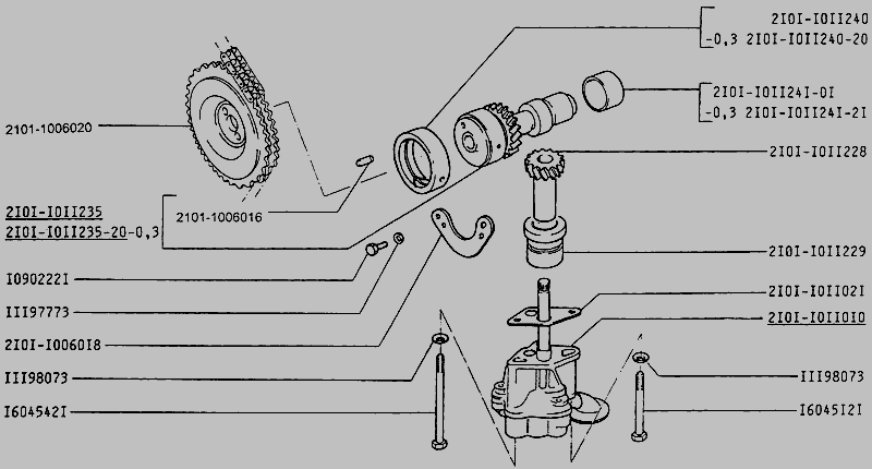
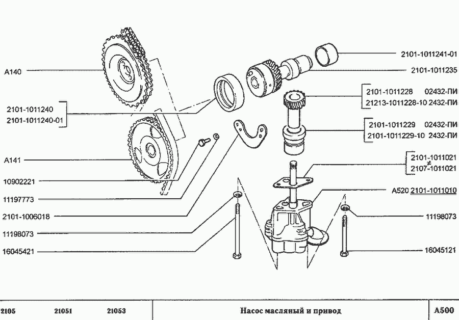
Насос масляний та привід » Двигун
|
|
Показати ще схеми ↓
Оригінальні номери
OEM:
21011011010
Каталог запчастин для автомобілів до яких застосовується ця деталь
